Amplificatorul operaţional este un dispozitiv electronic foarte utilizat în electronica analogică de astăzi. După cum este conectat în circuit, un amplificator operaţional poate executa o multitudine de funcţii analogice asupra unui semnal, printre care: amplificare, comparare, generare de semnal, filtrare, dar şi funcţii matematice precum adunare, scădere, inversare, multiplicare, integrare, derivare.
În schemele electronice, amplificatorul operaţional apare ca în figura de mai jos.
Un amplificator operaţional are cel puţin 5 terminale. Acestea sînt:
V+ se numeşte intrarea neinversoare
V- se numeşte intrarea inversoare
Vout este ieşirea
Vcc+ este pinul pozitiv de alimentare
Vcc- este pinul negativ de alimentare.
Pentru a înţelege modul de funcţionare, să privim o structură foarte simplificată a unui amplificator operaţional. Este format doar din două tranzistoare, într-un montaj de amplificator diferenţial.
Să presupunem că îl alimentăm la Vcc+ 12V şi Vcc- -12V, acestea fiind tensiuni de alimentare destul de comune pentru amplificatoarele operaţionale. Să zicem că tranzistoarele au în acest montaj un factor de amplificare 100. Adică pentru 1mV semnal de intrare aplicat în bază, obţinem în colector o variaţie a tensiunii cu 100mV.
Să presupunem în continuare că aplicăm tensiuni de 0V pe ambele intrări. La ieşire vom obţine o tensiune constantă. Să presupunem că scădem uşor tensiunea pe intrarea inversoare. Astfel va scădea tensiunea de polarizare a bazei tranzistorului Q2. Fiind NPN, această scădere va duce la o scădere a curentului de bază, ceea ce duce la o scădere de 100 de ori mai mare a curentului de colector. Astfel, o cădere de tensiune mai mică se va obţine pe R2, ceea ce duce la o creştere a tensiunii la ieşire. Aşadar, scăzînd tensiunea la intrarea inversoare, obţinem o creştere de 100 de ori mai mare a tensiunii de ieşire, sau cu alte cuvinte, semnalul aplicat pe intrarea inversoare se regăseşte inversat şi amplificat la ieşire.
Acum, să ţinem tensiunea pe intrarea inversoare, şi scădem tensiunea la intrarea neinversoare. Tranzistorul Q1 se va comporta ca un repetor pe emitor, aşa că scăderea tensiunii din bază se va regăsi şi în emitor. De asemenea va scădea şi tensiunea în emitorul lui Q2, cele două emitoare fiind legate între ele. Dar Q2 are tensiunea bazei fixă, aşa că va avea loc o creştere a tensiunii între baza şi emitorul lui Q2. Astfel va creşte curentul de bază, ceea ce duce la o creştere a curentului de colector din Q2, . Deci o cădere de tensiune de 100 de ori mai mare decît variaţia tensiunii de la intrare, va apărea pe R2. Drept consecinţă, tensiunea la ieşire va scădea. Deci scăzînd tensiunea pe intrarea neinversoare, obţinem scădere de 100 de ori mai mare a tensiunii de ieşire. Adică semnalul aplicat pe intrarea neinversoare se regăseşte neinversat şi amplificat la ieşire.
Dacă scădem simultan tensiunea pe ambele intrări, tensiunea de la ieşire va creşte, dar foarte puţin. Chiar şi din acest montaj simplu, putem trage nişte concluzii asupra funcţionării montajului, dar care se pot aplica la orice amplificator operaţional.
-
Tensiunea la ieşire se modifică proporţional cu variaţia tensiunii pe intrarea neinversoare.
-
Tensiunea la ieşire se modifică invers proporţional cu variaţia tensiunii pe intrarea inversoare.
-
Curentul de intrare este mult mai mic decît curentul de la ieşire, de cele mai multe ori neglijabil
-
Tensiunile maximă şi minimă de la ieşire depind de tensiunea de alimentare, nu se pot atinge decît la operaţionalele rail-to-rail.
-
Tensiunle maximă şi minimă care pot fi aplicate la intrare şi amplificate depind şi ele de tensiunea de alimentare.
Schema unui amplificator operaţional clasic, şi anume LM741, este prezentată în figura de mai jos.
Zona marcată cu verde este amplificatorul diferenţial de intrare. Acesta comandă etajul pilot marcat cu roşu, care atacă amplificatorul de ieşire marcat cu albastru. De la intrare pînă la ieşire, semnalul trece prin mai multe tranzistoare, fiecare trazistor amplificînd de peste 10 ori. Aşa că amplificarea totală a montajului este de cîteva sute de mii. Deci, pentru a mişca ieşirea cu 10V să zicem, este nevoie de aplicarea unei tensiuni diferenţiale la intrare de sub 1mV. Practic controlul cu o asemenea precizie, de sub 1mV, este imposibil de realizat. Vom vedea totuşi în cele ce urmează cum se utilizează un operaţional în regim de amplificator.
Pentru a înţelege mai mult funcţionarea unui operaţional, trebuie avute în vedere două lucruri: amplificarea şi banda.
Amplificarea am explicat-o mai sus ca fiind enormă. Dar această amplificare este doar la frecvenţe joase, de pînă la cîţiva herţi. Pe măsură ce frecvenţa creşte, tranzistoarele nu mai pot răspunde aşa repede, iar semnalul este întîrziat şi atenuat tot mai mult. Există o valoare, numită produs gain*bandwith (amplificare*bandă), specifică oricărui operaţional. De oricei are o valoare mai mare de 1MHz. O valoare de 1MHz înseamnă că un semnal de 10Hz va fi amplificat de 100.000 de ori, un semnal de 1KHz va fi amplificat de 1000 de ori, iar un semnal de 1MHz va fi amplificat de…1 ori.
Bun, adică avem un amplificator căruia nu-i putem ţine o tensiune constantă la ieşire şi care are o amplificare care depinde de frecvenţă. Complet inutil pînă acum.
De aceea se foloseşte reacţia negativă.
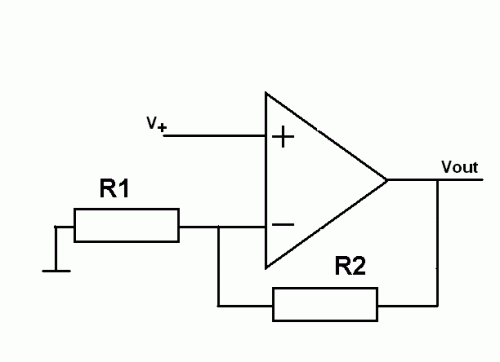
Reacţia negativă constă în preluarea unei mărimi de la ieşire, şi aplicarea ei la intrare. Să luăm spre exemplu schema de mai jos.
Observăm că tensiunea de la ieşire este aplicată la intrarea inversoare. În acest fel, operaţionalul se „autoreglează”, generînd la ieşire o tensiune aşa încît diferenţa de tensiune între intrările sale să fie foarte mică, aproximativ zero. Astfel, obţinem o configuraţie în care amplificarea depinde doar de reţeaua de reacţie negativă. Adică, tensiunea la ieşire este egală cu tensiunea de la intrare înmulţită cu produsul (R1+R2)/R1. Adică doar cele două rezistenţe externe circuitului. Practic operaţionalul va modifica tensiunea de la ieşire, astfel încît la intrarea inversoare să fie aceeaşi tensiune ca la intrarea neinversoare.
Dacă avem un operaţional cu amplificarea * bandă de 1 MHz, şi din rezistenţele R1 şi R2 asigurăm o amplificare de 100, atunci vom avea o amplificare constantă de 100 pînă la 10KHz. Peste 10KHz, amplificarea scade.
Despre parametrii şi alte scheme, într-un alt post, că deja ăsta devine prea mare.
electrodb.ro electronic database




excelent explicat!!!!
cred ca si la tranzistor(rubrica)trebuia la fel explicat,…poate pe viitor…
Hmm, mersi.
Aia cu tranzistorul nu am scris-o eu. Cred că o să fac la un moment dat un Tranzistorul II, sînt nişte chestii care ar merita detaliate.
apreciabil efortul depus pentru aceste prezentari.
asteptam cu nerabdare ‘amplificatorul perational 3 – aplicatii practice’ 🙂
bafta
excelent
de apreciat
Buna seara, este explicat foarte bine, insa tot nu m-am lamurit cum as putea sa reglez offsetul unui AO sa fie zero. Ce valori trebuie sa le dau rezistentelor?
Păi în multe aplicaţii nu te deranjează offsetul. De obicei este mic, de cîţiva milivolţi.
Nu există nişte valori standard, pentru că offsetul diferă de la o piesă la alta. Este consecinţa faptului că pe wafer-ul de siliciu, parametrii nu sînt constanţi pe toată aria. De-asta un tranzistor poate să iasă uşor mai mare decît altul, şi drept consecinţă, la acelaşi curent, unul poate avea o tensiune de bază mai mică decît celălalt.
Acuma, dacă ai nevoie neapărat într-un montaj să reglezi offsetul, atunci poţi folosi pinii de Offset ai acestuia, unde legi un potenţiometru între ei, cu cursorul legat la minus. Dacă operaţionalul n-are pini de offset, atunci se rezolvă tot cu un potenţiometru, care să „tragă” uşor de intrarea, de obicei neinversoare, cu +/-10mV, de unde să faci reglajul.
Dar pentru ce montaj întrebi, mai exact?
Am primit la facultate partea practica la un amplificator operational 741 de a regla offset-ul astfel incat la iesire sa fie 0(adica aprox. zero, pt ca nu este un caz ideal) si am primit urmat. schema ca indiciu:
http://www.keepandshare.com/userpics/g/o/s/t/inarnicolae/2013-07/sb/offset-52751053.jpg?ts=1372886050
Il voi alimenta la 15V , insa nu stiu ce valori trebuie sa aiba exact rezistentele de sus. Pot sa folosesc orice rezistenta din acel interval?
O imagine spune mai mult decît 1000 de cuvinte…
descarcă fişierul:
http://www.keepandshare.com/doc/6424961/op-amp-offset-nulling-2-pdf-18k?da=y
iar dacă mai ai nelămuriri, poţi posta aici.
(atenţie, schema prezentată de tine e confuză)
succes!
Va multumesc mult de tot. Am inteles schema.
http://www.keepandshare.com/doc/6921088/op-amp-offset-nulling-2-pdf-27k?da=y
Nulling Input Offset Voltage
sau asta: http://www.keepandshare.com/doc/6425121/nulling-input-offset-voltage-pdf-21k?da=y
Ma puteti ajuta cu 10 aplicatii ale A.O. ?
Salutare. Am si eu o intrebare legata de acest amplificator : l-am simulat in Orcad, cu bucla de reactie etc si totul merge asa cum am dorit. Problema apare totusi in etajul diferential unde sunt curenti de zeci de microamperi (iar in practica sunt necesari minim 100 de microamperi). Ce se poate face ?